XBLW芯伯乐-直流小电机驱动芯片L9110S介绍及设计
2024-08-31
特点
源电压范围:2.5V 至 12V
大持续输出电流 800mA
大峰值输出电流达到 1.5A SOP8封装
概述
XBLW L9110S是为控制和驱动电机设计的两通道推挽式功率放大专用集成电路,将分立电路集成在单片 IC 中,使外 围器件简单,整机成本降低的同时可靠性大 大提高。芯片有两个 TTL/CMOS 兼容电平的输入,具有良好的抗干扰性;两个输出 端能直接驱动电机的正反向运动,它具有较大的电流驱动能力, 在散热条件良好 的情况下可输出高达800mA 的持续电流,峰值电流能力可达 1.5A;同时它具有较低的输出饱和压降。内置的钳位二极管能释放感性负载的反向冲击电流,使它在驱动继电器、直流电机、步进电机或开关功率管的使用上安全可靠。L9110被广泛应用于玩具电机驱动、脉冲电磁阀门驱动和其它直流电机驱动。
基本参数:
极限参数:1500mA / 2.5V-12V
低静态工作电流: 0.1 uA
宽电源电压范围:2.5V-12V ;
每通道具有800mA 连续电流输出能力,精确快速的正反转控制;
超低的饱和电压降;
TTL/CMOS 输出电平兼容,可直接连CPU ;
输出内置钳位二极管,适用于感性负载;
精确的脉宽控制和后级驱动集成于单片IC 之中;
具备管脚高压保护功能;
工作温度:-20 ℃-85 ℃。
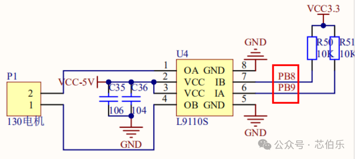
管脚定义及应用设计
1.使用单片机STM32F103控制XBLW L9110S驱动直流电机的设计
IB接的是PB8,IA接的是PB9 根据第二个图片里面的真值表我们可以得到如下信息:
PB8配置位复用推挽输出,PB9配置为通用推挽 然后我给PB8配置PWM波,PB9给拉低,那么电机是不是就是正转 反转同理 停止两个端口同时拉低或者拉高就行了。
接下里我们来配置一下PWM波,我们配置电机反转 PB9配置位复用推挽输出,PB8配置为通用推挽 然后我给PB9配置PWM波,PB8给拉低,那么电机是不是就是正转 ,看一下上图的定时器为TIM4,第4个管道。
驱动代码如下(通用)
void machinery_config(void) { RCC_APB2PeriphClockCmd(RCC_APB2Periph_GPIOB,ENABLE);//开时钟 /*PB9 复用推挽输出*/ GPIO_InitTypeDef GPIO_INIT; GPIO_INIT.GPIO_Mode = GPIO_Mode_AF_PP; GPIO_INIT.GPIO_Speed = GPIO_Speed_50MHz; GPIO_INIT.GPIO_Pin = GPIO_Pin_9; GPIO_Init(GPIOB,&GPIO_INIT); GPIO_INIT.GPIO_Mode = GPIO_Mode_Out_PP; GPIO_INIT.GPIO_Speed = GPIO_Speed_50MHz; GPIO_INIT.GPIO_Pin = GPIO_Pin_8; GPIO_Init(GPIOB,&GPIO_INIT); RCC->APB1ENR |=(0X01<<2);//开TIM4时钟 //定时器4通道 9 CH4 //时钟组成 TIM4->PSC = 72; TIM4->ARR = 1000; TIM4->CNT = 0; TIM4->CR1 &=~(0X01<<4);//计数方向--向上记数 //配置PWM波 有效电平 PWM模式 输出到响应引脚 TIM4->CCER &=~(0X01<<13);//高电平有效 TIM4->CCMR2 |=(0X06<<12);//PWM模式1 PWM输出模式 TIM4->CCER |=(0X01<<12);//OC4对应到PB9,将输出信号配置到指定管脚 TIM4->CCR4=0;//比较值 TIM4->CR1 |=(0X01<<0);//计数器使能 GPIO_ResetBits(GPIOB,GPIO_Pin_8);//拉低PB8 } 这样我们是不是只需要改变配置里面的比较值(TIM4->CCR4)就可以实现电机的速度控制了 我们在主函数里这样简单测试一下,每延时3s我让比较值增加200:TIM4->CCR4=200; systick_ms(3000); TIM4->CCR4=400;
systick_ms(3000); TIM4->CCR4=600; systick_ms(3000); systick_ms(3000); TIM4->CCR4=800; systick_ms(3000); TIM4->CCR4=1000; systick_ms(3000);
当下主流的智能门锁设计方案
此方案用到的电机驱动芯片XBLW L9110S
以上是硬件设计方案及驱动代码,芯片可提供样品测试及技术支持。
我司国产电机类驱动芯片具有自主知识产权,能够满足国内市场的需求,提供稳定可靠的性能。这在一定程度上减少了对国外芯片的依赖,提高了国内集成电路产业的竞争力。

